央广网上海4月24日消息(记者傅闻捷)上海市消保委今天发布了《上海市民用物业管理现状调查》。据了解,这是上海市消保委与上海社科院社会调查中心、上海迪博大数据研究所组成课题组历时六个月共同调查完成。调查结果显示,消费者对物业公司的评分普遍不高,物业公司存在基础服务不到位等问题。专家建议开发商尽量避免使用与自身利益密切相关的物业公司,同时可以再在条件成熟的小区倡导“基础物业费+增值服务费”的模式。
上海市消保委表示,尽管相关法律法规的颁布对物业管理中的地位、作用、职责等提供了法律支撑,但物业管理费难收、标准难调、维修基金难用、管理矛盾难解的困境不同程度地存在。近年来,民用物业管理成为新的消费投诉热点。
根据《调查报告》,上海消费者给予物业管理公司总体满意度为69.7分,专家表示,物业公司的各项评分分值没有超过70分,这也验证了消费者所说的物业管理公司基础服务不到位的问题。同时,消费者对物业管理的满意度与其缴纳物业管理费存在较大的关联性:按时缴纳物业管理费的消费者对物业管理公司满意度为72.9分,不缴纳物业管理费的消费者对物业管理公司满意度为61.7分。

图 1. 对物业公司的满意度与缴纳物业管理费的关系

图 2. 消费者对当前物业管理不满意的地方

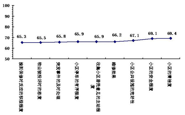
图 3. 对物业公司在各细节工作的满意度
数据显示,表示对物业公司服务的不满意主要体现在物业公司支出不合理、物业支出不透明、基础服务不到位、出租小区业主车位等方面。在细节工作上,各项分值最低的是接到保修时反应的积极程度(65.3分),其后依次是物业被投诉时的态度(65.5分)、突发事件的及时处理(65.8分)、小区停车的有序程度(65.9分)。

图 4. 不同小区物业费(元/每平方*月)
物业管理费方面,本次调研显示其与小区的层次相关,每平方米的价格差异并不显著,例如居住在单价低于两万元每平方小区中的消费者表示物业管理费为0.6到2元/平方,而居住在单价高于七万元每平方小区中的消费者表示物业管理费为2.1到8.0元/平方。数据显示,66.3%的被访问者认为物业公司的物业费与其服务不相匹配,虽然认为不相匹配,但也有76.1%的被访问者表示定时缴纳物业管理费。
专家表示,目前市场上主流的物业收费模式还是与业主住房面积挂钩的包干制,也就是由业主向物业服务企业支付固定物业服务费用,盈余或亏损均由物业管理企业承担的物业服务计费方式。这种方式操作简单,但这种模式下物业公司可以采用降低服务标准来确保自身利益,而业主则处于弱势地位,业主唯一有效的维权手段就是暂不缴纳物业管理费。
此外薪酬模式也逐渐被接受,也就是在预收的物业服务资金中按约定比例提取薪酬支付给物业管理企业,其余全部用于物业服务合同约定的支出,结余或者不足均由业主承担的物业服务计费方式。本次调查显示34.2%的消费者仍倾向包干制,20.5%的居民倾向薪酬制,44.5%的消费者倾向基础物业费加额外物业服务费模式。
针对调查结果,专家建议,为了避免不公平竞争,建议开发商尽量避免使用与自身利益密切相关的物业公司。《物业管理条例实施细则》在前期物业管理上明确规定“国家提倡建设单位按照房地产开发与物业管理相分离的原则,通过招投标的方式选聘具有相应资质的物业管理企业。”
新小区目前普遍存在的问题就是开发商使用并控制自身下属或者同一集团下的物业管理公司,对一些利益权属不清晰的“灰色利益”进行侵占或向其上级或兄弟单位进行输送。专家表示,优秀的物业管理公司可以实现房产的保值和增值,但开发商不能以此为借口采用捆绑销售的形式,引入其下属或兄弟企业。不存在关联交易的战略合作关系则可不受限制。
此外,专家建议应当在条件成熟的小区倡导“基础物业费+增值服务费”的模式。“基础物业费+增值服务费”模式的核心就是基础物业标准化,增值服务定制化。
编辑:
林馥榆
关键词:
上海;物业;业主
让郁金香再开放——走近抑郁症